Virtual Power Laboratory-D.E.I.
Connection Diagram of Experiment - 3
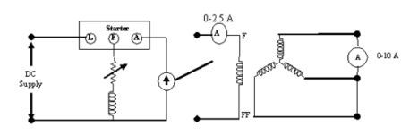
Fig 3.1 Connection Diagram for open circuit
Fig 3.2 Connection Diagram for short circuit
Fig 3.3 Connection Diagram for Determination of X
2
Fig 3.4 Connection Diagram for Determination of X
0
Objective
Equipments
Connection Diagram
Theory And Procedure
Observation
Simualtion
Videos of Exp.3
Quiz